Garo Priority Shower Board Wiring Diagram
Vt Commodore Ignition Wiring Diagram, Complete Wiring Diagrams For Holden Commodore VT, VX, VY, VZ, VE, VF, 5.36 MB, 03:54, 32,796, John Amahle, 2018-08-01T19:37:41.000000Z, 19, Vt Commodore Ignition Wiring Diagram, to-ja-to-ty-to-my-to-nasz-swiat.blogspot.com, 1272 x 1800, jpeg, bcm pcm 12j swiat nasz, 20, vt-commodore-ignition-wiring-diagram, Anime Arts
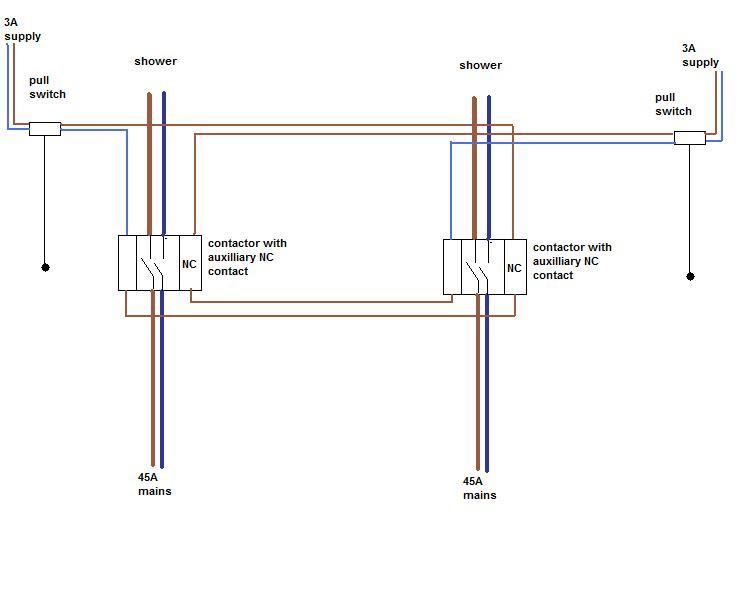
Hi all, i have 2 showers running off a garo non priority unit. This causes one shower to not activate if the other is on. 1 of the showers is working fine. The other turns on for a few seconds & then loses power completely.
These boards will disconnect a shower or other appliance, as required, in order to safely manage the total house load and protect the main fuse. Surge protection for instrumentation and control (i&c) 25/08/2022. You could remove one shower, wire it up as normal and see how that acts. If all is good try the second it would rule out the unit and a possible shower. I've had electricians test rcbo for random tripping & they always get a clean bill of health. Yet when i ask them to change the rcbo it stops the random tripping. Of showers relays timer garo +353 (0)1 866 5360 sales@garo. ie www. g aro. ie unit 19/307 northwest busin ess park, ballycoolin , dublin 15 priority allows an appliance (a) to be given priority of use over the second appliance (b). While device (a) is in These units can also operate in conjunction with other appliances, such as ev chargers, hot tubs or heat pumps.
Priority Shower Boards | Page 3 | DIYnot Forums
Connecting 2 electric showers using Garo priority and non-priority boards. - YouTube

Garo 1 Row Shower Priority Metal Board | Express Electrical

Garo 1 Row Shower Priority Metal Board | Express Electrical

8 Best Shower Priority Switch Wiring Diagram
shower wiring question with contactor help!? | DIYnot Forums
GARO - Home

Garo 1 Row Shower Non Priority Metal Board | Express Electrical

8 Best Shower Priority Switch Wiring Diagram
Garo 1 Row Shower Non Priority Metal Board | Express Electrical
